用途
本系列為干式單片通電型制動器。該產品結構簡單、制動延遲時間短制動力矩大。最大優點是可以水平安裝也可以垂直安裝,不受安裝角度影響,消除了電機軸向竄動對制動器氣隙要求較高的影響。適用于冶金,建筑,化工,食品,機床,包裝,舞臺,電梯,輪船等機械中,實現快速停車,定位準確,安全制動等目的。
使用條件
本系列制動器在下列條件下能可靠的工作
1.本系列為干式無油環境下工作;
2.周圍介質中,無足以腐蝕金屬和破壞絕緣的氣體和塵埃;
3.工作環境溫度-5~+40℃,摩擦片表面不得有油污;
4.絕緣等級為B級,防護等級為IP23,電壓波動范圍不超過+5%和-15%;
5..安裝方式:軸向水平安裝,軸向垂直安裝。
技術參數
| 規格/參數 | TQESB2-05 | TQESB2-10 | TQESB2-20 | TQESB2-40 | TQESB2-80 | TQESB2-160 |
| 配套Y系列電機機座號 | 71 | 80 | 90 | 100/112 | 132 | 160 |
| 配套電機額定功率(KW) | 0.25~0.55 | 0.75~1.1 | 1.1~1.2 | 1.5~3 | 2.2~7.5 | 4~18.5 |
| 額定制動力矩(N.m) | 5 | 10 | 20 | 40 | 80 | 160 |
| 額定功率P 20℃(W) | 13 | 16 | 20 | 32 | 40 | 45 |
| 最大工作間隙(mm) | 1.5 | 1.5 | 1.8 | 1.8 | 2.2 | 2.2 |
| 額定電壓(vdc) | 24 | 24 | 24 | 24 | 24 | 24 |
| 工作最高轉速(rpm) | 6000 | 4000 | 3500 | 3000 | 3000 | 3000 |

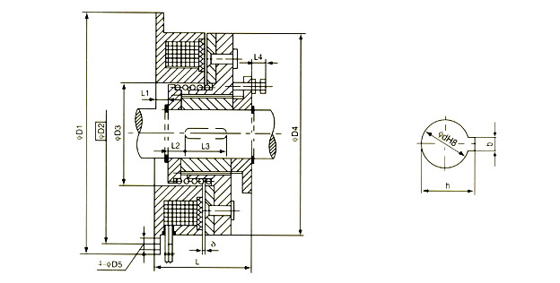
| 規格/尺寸 | d | D1 | D2 | D3 | D4 | D5 | L | L1 | L2 | L3 | L4 | b | h | δ |
| TQESB2-05 | 14.8 | 80 | 72 | 35 | 64 | 5 | 35 | 3 | 5 | 25 | 6~9 | 5 | 16.2 | 1 |
| TQESB2-10 | 19.8 | 100 | 90 | 42 | 80 | 6 | 40 | 4 | 6 | 28 | 6~9 | 6 | 21.6 | 1 |
| TQESB2-20 | 24.8 | 125 | 112 | 52 | 100 | 7 | 50 | 5 | 8 | 32 | 6~10 | 8 | 28.1 | 1 |
| TQESB2-40 | 29.5 | 150 | 137 | 62 | 125 | 7 | 55 | 5 | 8 | 32 | 6~10 | 8 | 32.8 | 1 |
| TQESB2-80 | 39.5 | 190 | 175 | 80 | 160 | 9.5 | 56 | 6 | 10 | 36 | 6~10 | 12 | 42.8 | 1 |
| TQESB2-160 | 44.5 | 230 | 215 | 100 | 200 | 9.5 | 61 | 6 | 10 | 40 | 6~10 | 12 | 47.8 | 1 |
整流裝置線路
該系列制動器的電壓為直流電壓,一般為24V。
本公司有ZL和KZL兩種專為制動器配套的整流電源,其功能為慢制動和快制動,具有輸出和輸入線路,保護電路,體積小,性能可靠,可直接裝在電機接線合內。
注意事項
1.摩擦片屬磨損件,磨損后,氣隙將增大,當其超過最大允許值時,應進行重新調整,否則會影響正常工作,甚至損壞制動器和電機。
2.當設備工作頻繁,制動時,應定期檢查其安裝螺釘有無松動,如有松動,應重新調整旋緊后再使用。
3.如安裝后,使用時有異常情況,應檢查安裝方式,按說明書進行調整。
合肥拓珂電氣有限公司
電話:0551-67707060 傳真:0551-67703615 手機:18256999112
手機:18671245438 Q Q:306201300 郵箱:306201300@qq.com
拓珂電氣,你身邊的傳動專家~
TQESB2-05 TQESB2-10 TQESB2-20 TQESB2-40 TQESB2-80 TQESB2-160 TQESB2-2000.25kw 0.55kw 0.75kw 1.1kw 電磁制動器 1.2kw 1.5kw 3kw 2.2kw 電機剎車 4kw 5.5kw 7.5kw 11kw 15kw 18.5kw 22kw單片電磁制動器 電磁剎車器 電機剎車剎車制動器 通電電機剎車 通電電磁制動器 DZJ-05 DZJ-10 DZJ-20 DZJ-40 DZJ-80 DZJ-160 DZJ-200 DDZ3-05 DDZ3-10 DDZ3-20 DDZ3-40 DDZ3-80 DDZ3-160 DDZ3-200 LDDZ5-05 LDDZ5-10 LDDZ5-20 LDDZ5-40 LDDZ5-80 LDDZ5-160 LDDZ5-200單片電磁制動器抱閘